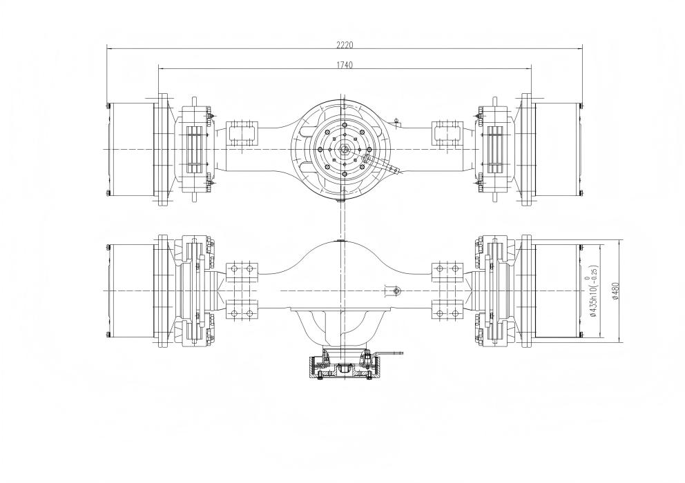
Trục truyền động con lăn đường 23 tấn
1. Bộ giảm tốc chính có bánh răng côn Gleason đạt hiệu suất truyền cao và độ ồn thấp.
2. Hộp số bánh răng hành tinh kiểu NGW tự hào có thiết kế cấu trúc hợp lý và nhỏ gọn.
3. Vỏ trục đúc thép cung cấp khả năng chịu tải cao và độ cứng, với nhiều tùy chọn kích thước kết nối có sẵn.
4. Phanh dịch vụ được trang bị hệ thống phanh kiểu kẹp đĩa đảm bảo mô-men xoắn phanh đáng kể và hiệu suất đáng tin cậy.
5. Phanh tay sử dụng thiết kế phanh tang trống đảm bảo an toàn và độ tin cậy của phanh.
6. Giải pháp này được thiết kế cho xe lu đường 19-23 tấn, đảm bảo khả năng tương thích với lớp thiết bị này.
Giới thiệu:
Trục truyền động con lăn đường 23 tấn được thiết kế cho xe lu đường rung 23 tấn, sử dụng cấu trúc truyền động bánh răng giảm tốc hai tầng. Vỏ trục được chế tạo từ vật liệu thép đúc. Hệ thống giảm tốc chính sử dụng truyền động bánh răng côn xoắn ốc Gleason, trong khi hộp số bên bánh xe sử dụng cơ cấu bánh răng giảm tốc hành tinh kiểu NGW. Hệ thống phanh dịch vụ được trang bị phanh đĩa kẹp phanh được bổ sung bởi cấu hình phanh tang trống để đỗ xe an toàn.
Các thông số kỹ thuật chính:
Tổng tỷ lệ truyền |
27.75 |
Mô-men xoắn đầu vào tối đa |
5000 nghìn năm |
Tải mỗi trục |
23000 kg |
Áp suất dầu phanh |
9.8MPa |
Khoảnh khắc phanh |
9660 nghìn năm |
Yêu cầu dầu cho trục dẫn động (tiêu chuẩn API) |
GL-5: 85W / 90 Dầu bánh răng (trên -12 °C) |
Yêu cầu dầu cho phanh: |
Dầu phanh tổng hợp DOT3 hoặc 719, không cho phép trộn! |




